Schema ZIMA003_20253.xsd


ROOT ELEMENT ZIMA003
attributeFormDefault unqualified
elementFormDefault qualified
 
Elements  Complex types 
Address  AddressType 
Apprenticeship  BreastFeedingPauseType 
AttestationStatus  CommentDeclarationType 
BreastFeedingHourlyGrossSalary  CommunicationType 
BreastFeedingPause  CoordinatesContactPersonType 
BreastFeedingPauseNbr  DclInformationType 
City  EmployerDeclarationLinkType 
CommentDeclaration  FormType 
CommentOfDeclaration  NaturalPersonType 
Communication  NOSSLPAEmployerDeclarationLinkType 
CompanyID  OccupationLinkType 
ContractType  ReferencePeriodType 
CoordinatesContactPerson  ReferenceType 
Country  RiskIdentificationType 
DclInformation  WorkerRecordLinkType 
EmailAddress 
EmployerClass 
EmployerDeclarationLink 
FaxNbr 
FirstName 
Form 
FormCreationDate 
FormCreationHour 
GSMNbr 
HouseNbr 
Identification 
IdentificationOfRisk 
INSS 
JointCommissionNbr 
LanguageCodePdf 
MeanWorkingHours 
Name 
Nationality 
NaturalPerson 
NaturalPersonSequenceNbr 
NaturalPersonUserReference 
NOSSLPAEmployerDeclarationLink 
NOSSLPARegistrationNbr 
NOSSRegistrationNbr 
OccupationEndingDate 
OccupationLink 
OccupationStartingDate 
PhoneNbr 
PostBox 
RefEndingDate 
Reference 
ReferenceNbr 
ReferenceOrigin 
ReferencePeriod 
ReferenceType 
RefMeanWorkingHours 
RefStartingDate 
RemunMethod 
Retired 
RiskIdentification 
SIS 
Street 
Trusteeship 
TypeForm 
WorkerBirthdate 
WorkerBirthplace 
WorkerBirthplaceCountry 
WorkerCity 
WorkerCode 
WorkerCountry 
WorkerFirstName 
WorkerHouseNbr 
WorkerInitial 
WorkerName 
WorkerPostBox 
WorkerRecordLink 
WorkerSex 
WorkerStatus 
WorkerStreet 
WorkerZIPCode 
WorkingDaysSystem 
ZIMA003 
ZIPCode 


element Address
diagram ZIMA003_20253_p1.png
type AddressType
properties
content  complex
children StreetHouseNbrPostBoxZIPCodeCityCountry
used by
element  CoordinatesContactPerson
annotation
documentation
90022
source <xs:element name="Address" type="AddressType">
 
<xs:annotation>
   
<xs:documentation>90022</xs:documentation>
 
</xs:annotation>
</xs:element>

element Apprenticeship
diagram ZIMA003_20253_p2.png
type restriction of xs:integer
properties
content  simple
used by
complexType  OccupationLinkType
facets
Kind  Value  Annotation
totalDigits  1
annotation
documentation
00055
source <xs:element name="Apprenticeship">
 
<xs:annotation>
   
<xs:documentation>00055</xs:documentation>
 
</xs:annotation>
 
<xs:simpleType>
   
<xs:restriction base="xs:integer">
     
<xs:totalDigits value="1"/>
   
</xs:restriction>
 
</xs:simpleType>
</xs:element>

element AttestationStatus
diagram ZIMA003_20253_p3.png
type restriction of xs:integer
properties
content  simple
used by
complexType  FormType
facets
Kind  Value  Annotation
totalDigits  1
enumeration  0
enumeration  1
enumeration  3
enumeration  7
annotation
documentation
00110
source <xs:element name="AttestationStatus">
 
<xs:annotation>
   
<xs:documentation>00110</xs:documentation>
 
</xs:annotation>
 
<xs:simpleType>
   
<xs:restriction base="xs:integer">
     
<xs:totalDigits value="1"/>
     
<xs:enumeration value="0"/>
     
<xs:enumeration value="1"/>
     
<xs:enumeration value="3"/>
     
<xs:enumeration value="7"/>
   
</xs:restriction>
 
</xs:simpleType>
</xs:element>

element BreastFeedingHourlyGrossSalary
diagram ZIMA003_20253_p4.png
type restriction of xs:integer
properties
content  simple
used by
complexType  BreastFeedingPauseType
facets
Kind  Value  Annotation
minInclusive  1
maxInclusive  99999999
totalDigits  8
annotation
documentation
00152
appinfo
Amount_conversion1
source <xs:element name="BreastFeedingHourlyGrossSalary">
 
<xs:annotation>
   
<xs:documentation>00152</xs:documentation>
   
<xs:appinfo source="ConversionID">Amount_conversion1</xs:appinfo>
 
</xs:annotation>
 
<xs:simpleType>
   
<xs:restriction base="xs:integer">
     
<xs:minInclusive value="1"/>
     
<xs:maxInclusive value="99999999"/>
     
<xs:totalDigits value="8"/>
   
</xs:restriction>
 
</xs:simpleType>
</xs:element>

element BreastFeedingPause
diagram ZIMA003_20253_p5.png
type BreastFeedingPauseType
properties
content  complex
children BreastFeedingPauseNbrBreastFeedingHourlyGrossSalary
used by
element  ReferencePeriod
annotation
documentation
90113
source <xs:element name="BreastFeedingPause" type="BreastFeedingPauseType">
 
<xs:annotation>
   
<xs:documentation>90113</xs:documentation>
 
</xs:annotation>
</xs:element>

element BreastFeedingPauseNbr
diagram ZIMA003_20253_p6.png
type restriction of xs:integer
properties
content  simple
used by
complexType  BreastFeedingPauseType
facets
Kind  Value  Annotation
minInclusive  1
maxInclusive  62
totalDigits  2
annotation
documentation
00151
source <xs:element name="BreastFeedingPauseNbr">
 
<xs:annotation>
   
<xs:documentation>00151</xs:documentation>
 
</xs:annotation>
 
<xs:simpleType>
   
<xs:restriction base="xs:integer">
     
<xs:minInclusive value="1"/>
     
<xs:maxInclusive value="62"/>
     
<xs:totalDigits value="2"/>
   
</xs:restriction>
 
</xs:simpleType>
</xs:element>

element City
diagram ZIMA003_20253_p7.png
type restriction of xs:string
properties
content  simple
used by
complexType  AddressType
facets
Kind  Value  Annotation
maxLength  40
annotation
documentation
00522
source <xs:element name="City">
 
<xs:annotation>
   
<xs:documentation>00522</xs:documentation>
 
</xs:annotation>
 
<xs:simpleType>
   
<xs:restriction base="xs:string">
     
<xs:maxLength value="40"/>
   
</xs:restriction>
 
</xs:simpleType>
</xs:element>

element CommentDeclaration
diagram ZIMA003_20253_p8.png
type CommentDeclarationType
properties
content  complex
children CommentOfDeclaration
used by
element  Form
annotation
documentation
90036
source <xs:element name="CommentDeclaration" type="CommentDeclarationType">
 
<xs:annotation>
   
<xs:documentation>90036</xs:documentation>
 
</xs:annotation>
</xs:element>

element CommentOfDeclaration
diagram ZIMA003_20253_p9.png
type restriction of xs:string
properties
content  simple
used by
complexType  CommentDeclarationType
facets
Kind  Value  Annotation
maxLength  200
pattern  [\s\S]*\S[\s\S]*
annotation
documentation
00126
source <xs:element name="CommentOfDeclaration">
 
<xs:annotation>
   
<xs:documentation>00126</xs:documentation>
 
</xs:annotation>
 
<xs:simpleType>
   
<xs:restriction base="xs:string">
     
<xs:maxLength value="200"/>
     
<xs:pattern value="[\s\S]*\S[\s\S]*"/>
   
</xs:restriction>
 
</xs:simpleType>
</xs:element>

element Communication
diagram ZIMA003_20253_p10.png
type CommunicationType
properties
content  complex
children PhoneNbrGSMNbrFaxNbrEmailAddress
used by
element  CoordinatesContactPerson
annotation
documentation
90258
source <xs:element name="Communication" type="CommunicationType">
 
<xs:annotation>
   
<xs:documentation>90258</xs:documentation>
 
</xs:annotation>
</xs:element>

element CompanyID
diagram ZIMA003_20253_p11.png
type restriction of xs:integer
properties
content  simple
used by
complexTypes  EmployerDeclarationLinkTypeNOSSLPAEmployerDeclarationLinkType
facets
Kind  Value  Annotation
minInclusive  0
maxInclusive  1999999943
totalDigits  10
pattern  0|\d{9}|\d{10}
annotation
documentation
00014
appinfo
CompanyID_conversion1
appinfo
xs:companyId
source <xs:element name="CompanyID">
 
<xs:annotation>
   
<xs:documentation>00014</xs:documentation>
   
<xs:appinfo source="ConversionID">CompanyID_conversion1</xs:appinfo>
   
<xs:appinfo source="TDOType">xs:companyId</xs:appinfo>
 
</xs:annotation>
 
<xs:simpleType>
   
<xs:restriction base="xs:integer">
     
<xs:minInclusive value="0"/>
     
<xs:maxInclusive value="1999999943"/>
     
<xs:totalDigits value="10"/>
     
<xs:pattern value="0|\d{9}|\d{10}"/>
   
</xs:restriction>
 
</xs:simpleType>
</xs:element>

element ContractType
diagram ZIMA003_20253_p12.png
type restriction of xs:integer
properties
content  simple
used by
complexType  OccupationLinkType
facets
Kind  Value  Annotation
minInclusive  0
maxInclusive  1
totalDigits  1
annotation
documentation
00050
source <xs:element name="ContractType">
 
<xs:annotation>
   
<xs:documentation>00050</xs:documentation>
 
</xs:annotation>
 
<xs:simpleType>
   
<xs:restriction base="xs:integer">
     
<xs:minInclusive value="0"/>
     
<xs:maxInclusive value="1"/>
     
<xs:totalDigits value="1"/>
   
</xs:restriction>
 
</xs:simpleType>
</xs:element>

element CoordinatesContactPerson
diagram ZIMA003_20253_p13.png
type extension of CoordinatesContactPersonType
properties
content  complex
children NameFirstNameCommunicationAddress
used by
element  Form
annotation
documentation
90257
source <xs:element name="CoordinatesContactPerson">
 
<xs:annotation>
   
<xs:documentation>90257</xs:documentation>
 
</xs:annotation>
 
<xs:complexType>
   
<xs:complexContent>
     
<xs:extension base="CoordinatesContactPersonType">
       
<xs:sequence>
         
<xs:element ref="Communication"/>
         
<xs:element ref="Address" minOccurs="0"/>
       
</xs:sequence>
     
</xs:extension>
   
</xs:complexContent>
 
</xs:complexType>
</xs:element>

element Country
diagram ZIMA003_20253_p14.png
type restriction of xs:integer
properties
content  simple
used by
complexType  AddressType
facets
Kind  Value  Annotation
minInclusive  0
maxInclusive  99999
totalDigits  5
annotation
documentation
00523
source <xs:element name="Country">
 
<xs:annotation>
   
<xs:documentation>00523</xs:documentation>
 
</xs:annotation>
 
<xs:simpleType>
   
<xs:restriction base="xs:integer">
     
<xs:minInclusive value="0"/>
     
<xs:maxInclusive value="99999"/>
     
<xs:totalDigits value="5"/>
   
</xs:restriction>
 
</xs:simpleType>
</xs:element>

element DclInformation
diagram ZIMA003_20253_p15.png
type DclInformationType
properties
content  complex
children LanguageCodePdf
used by
element  Form
annotation
documentation
90171
source <xs:element name="DclInformation" type="DclInformationType">
 
<xs:annotation>
   
<xs:documentation>90171</xs:documentation>
 
</xs:annotation>
</xs:element>

element EmailAddress
diagram ZIMA003_20253_p16.png
type restriction of xs:string
properties
content  simple
used by
complexType  CommunicationType
facets
Kind  Value  Annotation
maxLength  60
annotation
documentation
00637
source <xs:element name="EmailAddress">
 
<xs:annotation>
   
<xs:documentation>00637</xs:documentation>
 
</xs:annotation>
 
<xs:simpleType>
   
<xs:restriction base="xs:string">
     
<xs:maxLength value="60"/>
   
</xs:restriction>
 
</xs:simpleType>
</xs:element>

element EmployerClass
diagram ZIMA003_20253_p17.png
type restriction of xs:integer
properties
content  simple
used by
complexType  WorkerRecordLinkType
facets
Kind  Value  Annotation
minInclusive  000
maxInclusive  999
totalDigits  3
pattern  \d{3}
annotation
documentation
00036
source <xs:element name="EmployerClass">
 
<xs:annotation>
   
<xs:documentation>00036</xs:documentation>
 
</xs:annotation>
 
<xs:simpleType>
   
<xs:restriction base="xs:integer">
     
<xs:minInclusive value="000"/>
     
<xs:maxInclusive value="999"/>
     
<xs:totalDigits value="3"/>
     
<xs:pattern value="\d{3}"/>
   
</xs:restriction>
 
</xs:simpleType>
</xs:element>

element EmployerDeclarationLink
diagram ZIMA003_20253_p18.png
type extension of EmployerDeclarationLinkType
properties
content  complex
children NOSSRegistrationNbrTrusteeshipCompanyIDNaturalPerson
used by
element  Form
annotation
documentation
90067
source <xs:element name="EmployerDeclarationLink">
 
<xs:annotation>
   
<xs:documentation>90067</xs:documentation>
 
</xs:annotation>
 
<xs:complexType>
   
<xs:complexContent>
     
<xs:extension base="EmployerDeclarationLinkType">
       
<xs:sequence>
         
<xs:element ref="NaturalPerson"/>
       
</xs:sequence>
     
</xs:extension>
   
</xs:complexContent>
 
</xs:complexType>
</xs:element>

element FaxNbr
diagram ZIMA003_20253_p19.png
type restriction of xs:string
properties
content  simple
used by
complexType  CommunicationType
facets
Kind  Value  Annotation
maxLength  20
annotation
documentation
00678
source <xs:element name="FaxNbr">
 
<xs:annotation>
   
<xs:documentation>00678</xs:documentation>
 
</xs:annotation>
 
<xs:simpleType>
   
<xs:restriction base="xs:string">
     
<xs:maxLength value="20"/>
   
</xs:restriction>
 
</xs:simpleType>
</xs:element>

element FirstName
diagram ZIMA003_20253_p20.png
type restriction of xs:string
properties
content  simple
used by
complexType  CoordinatesContactPersonType
facets
Kind  Value  Annotation
maxLength  24
annotation
documentation
00727
source <xs:element name="FirstName">
 
<xs:annotation>
   
<xs:documentation>00727</xs:documentation>
 
</xs:annotation>
 
<xs:simpleType>
   
<xs:restriction base="xs:string">
     
<xs:maxLength value="24"/>
   
</xs:restriction>
 
</xs:simpleType>
</xs:element>

element Form
diagram ZIMA003_20253_p21.png
type extension of FormType
properties
content  complex
children IdentificationFormCreationDateFormCreationHourAttestationStatusTypeFormCoordinatesContactPersonDclInformationRiskIdentificationReferenceCommentDeclarationEmployerDeclarationLinkNOSSLPAEmployerDeclarationLink
used by
element  ZIMA003
annotation
documentation
90059
source <xs:element name="Form">
 
<xs:annotation>
   
<xs:documentation>90059</xs:documentation>
 
</xs:annotation>
 
<xs:complexType>
   
<xs:complexContent>
     
<xs:extension base="FormType">
       
<xs:sequence>
         
<xs:element ref="CoordinatesContactPerson"/>
         
<xs:element ref="DclInformation"/>
         
<xs:element ref="RiskIdentification"/>
         
<xs:element ref="Reference" minOccurs="0" maxOccurs="3"/>
         
<xs:element ref="CommentDeclaration" minOccurs="0"/>
         
<xs:choice>
           
<xs:element ref="EmployerDeclarationLink"/>
           
<xs:element ref="NOSSLPAEmployerDeclarationLink"/>
         
</xs:choice>
       
</xs:sequence>
     
</xs:extension>
   
</xs:complexContent>
 
</xs:complexType>
</xs:element>

element FormCreationDate
diagram ZIMA003_20253_p22.png
type restriction of xs:date
properties
content  simple
used by
complexType  FormType
facets
Kind  Value  Annotation
pattern  \d{4}-\d{2}-\d{2}
annotation
documentation
00218
appinfo
Date_conversion1
source <xs:element name="FormCreationDate">
 
<xs:annotation>
   
<xs:documentation>00218</xs:documentation>
   
<xs:appinfo source="ConversionID">Date_conversion1</xs:appinfo>
 
</xs:annotation>
 
<xs:simpleType>
   
<xs:restriction base="xs:date">
     
<xs:pattern value="\d{4}-\d{2}-\d{2}"/>
   
</xs:restriction>
 
</xs:simpleType>
</xs:element>

element FormCreationHour
diagram ZIMA003_20253_p23.png
type restriction of xs:time
properties
content  simple
used by
complexType  FormType
facets
Kind  Value  Annotation
pattern  \d{2}:\d{2}:\d{2}.\d{3}
annotation
documentation
00299
appinfo
Time_conversion1
source <xs:element name="FormCreationHour">
 
<xs:annotation>
   
<xs:documentation>00299</xs:documentation>
   
<xs:appinfo source="ConversionID">Time_conversion1</xs:appinfo>
 
</xs:annotation>
 
<xs:simpleType>
   
<xs:restriction base="xs:time">
     
<xs:pattern value="\d{2}:\d{2}:\d{2}.\d{3}"/>
   
</xs:restriction>
 
</xs:simpleType>
</xs:element>

element GSMNbr
diagram ZIMA003_20253_p24.png
type restriction of xs:string
properties
content  simple
used by
complexType  CommunicationType
facets
Kind  Value  Annotation
maxLength  20
annotation
documentation
00636
source <xs:element name="GSMNbr">
 
<xs:annotation>
   
<xs:documentation>00636</xs:documentation>
 
</xs:annotation>
 
<xs:simpleType>
   
<xs:restriction base="xs:string">
     
<xs:maxLength value="20"/>
   
</xs:restriction>
 
</xs:simpleType>
</xs:element>

element HouseNbr
diagram ZIMA003_20253_p25.png
type restriction of xs:string
properties
content  simple
used by
complexType  AddressType
facets
Kind  Value  Annotation
maxLength  10
annotation
documentation
00518
source <xs:element name="HouseNbr">
 
<xs:annotation>
   
<xs:documentation>00518</xs:documentation>
 
</xs:annotation>
 
<xs:simpleType>
   
<xs:restriction base="xs:string">
     
<xs:maxLength value="10"/>
   
</xs:restriction>
 
</xs:simpleType>
</xs:element>

element Identification
diagram ZIMA003_20253_p26.png
type restriction of xs:string
properties
content  simple
used by
complexType  FormType
facets
Kind  Value  Annotation
maxLength  7
enumeration  ZIMA003
annotation
documentation
00296
source <xs:element name="Identification">
 
<xs:annotation>
   
<xs:documentation>00296</xs:documentation>
 
</xs:annotation>
 
<xs:simpleType>
   
<xs:restriction base="xs:string">
     
<xs:maxLength value="7"/>
     
<xs:enumeration value="ZIMA003"/>
   
</xs:restriction>
 
</xs:simpleType>
</xs:element>

element IdentificationOfRisk
diagram ZIMA003_20253_p27.png
type restriction of xs:integer
properties
content  simple
used by
complexType  RiskIdentificationType
facets
Kind  Value  Annotation
totalDigits  3
enumeration  001
annotation
documentation
00430
source <xs:element name="IdentificationOfRisk">
 
<xs:annotation>
   
<xs:documentation>00430</xs:documentation>
 
</xs:annotation>
 
<xs:simpleType>
   
<xs:restriction base="xs:integer">
     
<xs:totalDigits value="3"/>
     
<xs:enumeration value="001"/>
   
</xs:restriction>
 
</xs:simpleType>
</xs:element>

element INSS
diagram ZIMA003_20253_p28.png
type restriction of xs:integer
properties
content  simple
used by
complexType  NaturalPersonType
facets
Kind  Value  Annotation
totalDigits  11
pattern  \d{11}
annotation
documentation
00024
appinfo
Inss_conversion1
appinfo
xs:inss
source <xs:element name="INSS">
 
<xs:annotation>
   
<xs:documentation>00024</xs:documentation>
   
<xs:appinfo source="ConversionID">Inss_conversion1</xs:appinfo>
   
<xs:appinfo source="TDOType">xs:inss</xs:appinfo>
 
</xs:annotation>
 
<xs:simpleType>
   
<xs:restriction base="xs:integer">
     
<xs:totalDigits value="11"/>
     
<xs:pattern value="\d{11}"/>
   
</xs:restriction>
 
</xs:simpleType>
</xs:element>

element JointCommissionNbr
diagram ZIMA003_20253_p29.png
type restriction of xs:string
properties
content  simple
used by
complexType  OccupationLinkType
facets
Kind  Value  Annotation
minLength  1
maxLength  9
pattern  \d{3}|\d{3}\.\d{2}|\d{3}\.\d{2}\.\d{2}
annotation
documentation
00046
source <xs:element name="JointCommissionNbr">
 
<xs:annotation>
   
<xs:documentation>00046</xs:documentation>
 
</xs:annotation>
 
<xs:simpleType>
   
<xs:restriction base="xs:string">
     
<xs:minLength value="1"/>
     
<xs:maxLength value="9"/>
     
<xs:pattern value="\d{3}|\d{3}\.\d{2}|\d{3}\.\d{2}\.\d{2}"/>
   
</xs:restriction>
 
</xs:simpleType>
</xs:element>

element LanguageCodePdf
diagram ZIMA003_20253_p30.png
type restriction of xs:integer
properties
content  simple
used by
complexType  DclInformationType
facets
Kind  Value  Annotation
minInclusive  1
maxInclusive  3
totalDigits  1
annotation
documentation
00156
source <xs:element name="LanguageCodePdf">
 
<xs:annotation>
   
<xs:documentation>00156</xs:documentation>
 
</xs:annotation>
 
<xs:simpleType>
   
<xs:restriction base="xs:integer">
     
<xs:minInclusive value="1"/>
     
<xs:maxInclusive value="3"/>
     
<xs:totalDigits value="1"/>
   
</xs:restriction>
 
</xs:simpleType>
</xs:element>

element MeanWorkingHours
diagram ZIMA003_20253_p31.png
type restriction of xs:integer
properties
content  simple
used by
complexType  OccupationLinkType
facets
Kind  Value  Annotation
minInclusive  1
maxInclusive  6000
totalDigits  4
annotation
documentation
00048
appinfo
HoursCount_conversion1
source <xs:element name="MeanWorkingHours">
 
<xs:annotation>
   
<xs:documentation>00048</xs:documentation>
   
<xs:appinfo source="ConversionID">HoursCount_conversion1</xs:appinfo>
 
</xs:annotation>
 
<xs:simpleType>
   
<xs:restriction base="xs:integer">
     
<xs:minInclusive value="1"/>
     
<xs:maxInclusive value="6000"/>
     
<xs:totalDigits value="4"/>
   
</xs:restriction>
 
</xs:simpleType>
</xs:element>

element Name
diagram ZIMA003_20253_p32.png
type restriction of xs:string
properties
content  simple
used by
complexType  CoordinatesContactPersonType
facets
Kind  Value  Annotation
maxLength  48
annotation
documentation
00726
source <xs:element name="Name">
 
<xs:annotation>
   
<xs:documentation>00726</xs:documentation>
 
</xs:annotation>
 
<xs:simpleType>
   
<xs:restriction base="xs:string">
     
<xs:maxLength value="48"/>
   
</xs:restriction>
 
</xs:simpleType>
</xs:element>

element Nationality
diagram ZIMA003_20253_p33.png
type restriction of xs:integer
properties
content  simple
used by
complexType  NaturalPersonType
facets
Kind  Value  Annotation
totalDigits  5
annotation
documentation
00119
source <xs:element name="Nationality">
 
<xs:annotation>
   
<xs:documentation>00119</xs:documentation>
 
</xs:annotation>
 
<xs:simpleType>
   
<xs:restriction base="xs:integer">
     
<xs:totalDigits value="5"/>
   
</xs:restriction>
 
</xs:simpleType>
</xs:element>

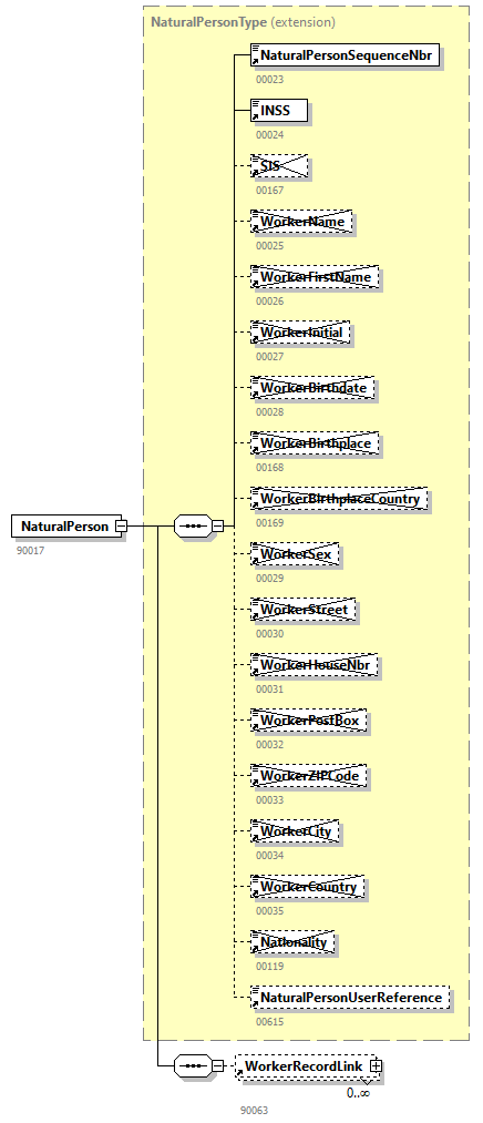
element NaturalPerson
diagram ZIMA003_20253_p34.png
type extension of NaturalPersonType
properties
content  complex
children NaturalPersonSequenceNbrINSSSISWorkerNameWorkerFirstNameWorkerInitialWorkerBirthdateWorkerBirthplaceWorkerBirthplaceCountryWorkerSexWorkerStreetWorkerHouseNbrWorkerPostBoxWorkerZIPCodeWorkerCityWorkerCountryNationalityNaturalPersonUserReferenceWorkerRecordLink
used by
elements  EmployerDeclarationLinkNOSSLPAEmployerDeclarationLink
annotation
documentation
90017
source <xs:element name="NaturalPerson">
 
<xs:annotation>
   
<xs:documentation>90017</xs:documentation>
 
</xs:annotation>
 
<xs:complexType>
   
<xs:complexContent>
     
<xs:extension base="NaturalPersonType">
       
<xs:sequence>
         
<xs:element ref="WorkerRecordLink" minOccurs="0" maxOccurs="unbounded"/>
       
</xs:sequence>
     
</xs:extension>
   
</xs:complexContent>
 
</xs:complexType>
</xs:element>

element NaturalPersonSequenceNbr
diagram ZIMA003_20253_p35.png
type restriction of xs:integer
properties
content  simple
used by
complexType  NaturalPersonType
facets
Kind  Value  Annotation
minInclusive  1
maxInclusive  9999999
totalDigits  7
annotation
documentation
00023
source <xs:element name="NaturalPersonSequenceNbr">
 
<xs:annotation>
   
<xs:documentation>00023</xs:documentation>
 
</xs:annotation>
 
<xs:simpleType>
   
<xs:restriction base="xs:integer">
     
<xs:minInclusive value="1"/>
     
<xs:maxInclusive value="9999999"/>
     
<xs:totalDigits value="7"/>
   
</xs:restriction>
 
</xs:simpleType>
</xs:element>

element NaturalPersonUserReference
diagram ZIMA003_20253_p36.png
type restriction of xs:string
properties
content  simple
used by
complexType  NaturalPersonType
facets
Kind  Value  Annotation
maxLength  200
annotation
documentation
00615
source <xs:element name="NaturalPersonUserReference">
 
<xs:annotation>
   
<xs:documentation>00615</xs:documentation>
 
</xs:annotation>
 
<xs:simpleType>
   
<xs:restriction base="xs:string">
     
<xs:maxLength value="200"/>
   
</xs:restriction>
 
</xs:simpleType>
</xs:element>

element NOSSLPAEmployerDeclarationLink
diagram ZIMA003_20253_p37.png
type extension of NOSSLPAEmployerDeclarationLinkType
properties
content  complex
children NOSSLPARegistrationNbrCompanyIDNaturalPerson
used by
element  Form
annotation
documentation
90168
source <xs:element name="NOSSLPAEmployerDeclarationLink">
 
<xs:annotation>
   
<xs:documentation>90168</xs:documentation>
 
</xs:annotation>
 
<xs:complexType>
   
<xs:complexContent>
     
<xs:extension base="NOSSLPAEmployerDeclarationLinkType">
       
<xs:sequence>
         
<xs:element ref="NaturalPerson"/>
       
</xs:sequence>
     
</xs:extension>
   
</xs:complexContent>
 
</xs:complexType>
</xs:element>

element NOSSLPARegistrationNbr
diagram ZIMA003_20253_p38.png
type restriction of xs:integer
properties
content  simple
used by
complexType  NOSSLPAEmployerDeclarationLinkType
facets
Kind  Value  Annotation
minInclusive  0
maxInclusive  99999926
totalDigits  8
annotation
documentation
00109
appinfo
NossAPL_conversion1
appinfo
xs:nossLpaRegistrationNbr
source <xs:element name="NOSSLPARegistrationNbr">
 
<xs:annotation>
   
<xs:documentation>00109</xs:documentation>
   
<xs:appinfo source="ConversionID">NossAPL_conversion1</xs:appinfo>
   
<xs:appinfo source="TDOType">xs:nossLpaRegistrationNbr</xs:appinfo>
 
</xs:annotation>
 
<xs:simpleType>
   
<xs:restriction base="xs:integer">
     
<xs:minInclusive value="0"/>
     
<xs:maxInclusive value="99999926"/>
     
<xs:totalDigits value="8"/>
   
</xs:restriction>
 
</xs:simpleType>
</xs:element>

element NOSSRegistrationNbr
diagram ZIMA003_20253_p39.png
type restriction of xs:integer
properties
content  simple
used by
complexType  EmployerDeclarationLinkType
facets
Kind  Value  Annotation
minInclusive  0
maxInclusive  199999934
totalDigits  9
annotation
documentation
00011
appinfo
Noss_conversion1
appinfo
xs:nossRegistrationNbr
source <xs:element name="NOSSRegistrationNbr">
 
<xs:annotation>
   
<xs:documentation>00011</xs:documentation>
   
<xs:appinfo source="ConversionID">Noss_conversion1</xs:appinfo>
   
<xs:appinfo source="TDOType">xs:nossRegistrationNbr</xs:appinfo>
 
</xs:annotation>
 
<xs:simpleType>
   
<xs:restriction base="xs:integer">
     
<xs:minInclusive value="0"/>
     
<xs:maxInclusive value="199999934"/>
     
<xs:totalDigits value="9"/>
   
</xs:restriction>
 
</xs:simpleType>
</xs:element>

element OccupationEndingDate
diagram ZIMA003_20253_p40.png
type restriction of xs:date
properties
content  simple
used by
complexType  OccupationLinkType
facets
Kind  Value  Annotation
pattern  \d{4}-\d{2}-\d{2}
annotation
documentation
00045
appinfo
Date_conversion1
source <xs:element name="OccupationEndingDate">
 
<xs:annotation>
   
<xs:documentation>00045</xs:documentation>
   
<xs:appinfo source="ConversionID">Date_conversion1</xs:appinfo>
 
</xs:annotation>
 
<xs:simpleType>
   
<xs:restriction base="xs:date">
     
<xs:pattern value="\d{4}-\d{2}-\d{2}"/>
   
</xs:restriction>
 
</xs:simpleType>
</xs:element>

element OccupationLink
diagram ZIMA003_20253_p41.png
type extension of OccupationLinkType
properties
content  complex
children OccupationStartingDateOccupationEndingDateJointCommissionNbrWorkingDaysSystemMeanWorkingHoursRefMeanWorkingHoursWorkerStatusRetiredApprenticeshipContractTypeRemunMethodReferencePeriod
used by
element  WorkerRecordLink
annotation
documentation
90068
source <xs:element name="OccupationLink">
 
<xs:annotation>
   
<xs:documentation>90068</xs:documentation>
 
</xs:annotation>
 
<xs:complexType>
   
<xs:complexContent>
     
<xs:extension base="OccupationLinkType">
       
<xs:sequence>
         
<xs:element ref="ReferencePeriod"/>
       
</xs:sequence>
     
</xs:extension>
   
</xs:complexContent>
 
</xs:complexType>
</xs:element>

element OccupationStartingDate
diagram ZIMA003_20253_p42.png
type restriction of xs:date
properties
content  simple
used by
complexType  OccupationLinkType
facets
Kind  Value  Annotation
pattern  \d{4}-\d{2}-\d{2}
annotation
documentation
00044
appinfo
Date_conversion1
source <xs:element name="OccupationStartingDate">
 
<xs:annotation>
   
<xs:documentation>00044</xs:documentation>
   
<xs:appinfo source="ConversionID">Date_conversion1</xs:appinfo>
 
</xs:annotation>
 
<xs:simpleType>
   
<xs:restriction base="xs:date">
     
<xs:pattern value="\d{4}-\d{2}-\d{2}"/>
   
</xs:restriction>
 
</xs:simpleType>
</xs:element>

element PhoneNbr
diagram ZIMA003_20253_p43.png
type restriction of xs:string
properties
content  simple
used by
complexType  CommunicationType
facets
Kind  Value  Annotation
maxLength  20
annotation
documentation
00677
source <xs:element name="PhoneNbr">
 
<xs:annotation>
   
<xs:documentation>00677</xs:documentation>
 
</xs:annotation>
 
<xs:simpleType>
   
<xs:restriction base="xs:string">
     
<xs:maxLength value="20"/>
   
</xs:restriction>
 
</xs:simpleType>
</xs:element>

element PostBox
diagram ZIMA003_20253_p44.png
type restriction of xs:string
properties
content  simple
used by
complexType  AddressType
facets
Kind  Value  Annotation
maxLength  4
annotation
documentation
00519
source <xs:element name="PostBox">
 
<xs:annotation>
   
<xs:documentation>00519</xs:documentation>
 
</xs:annotation>
 
<xs:simpleType>
   
<xs:restriction base="xs:string">
     
<xs:maxLength value="4"/>
   
</xs:restriction>
 
</xs:simpleType>
</xs:element>

element RefEndingDate
diagram ZIMA003_20253_p45.png
type restriction of xs:date
properties
content  simple
used by
complexType  ReferencePeriodType
facets
Kind  Value  Annotation
minInclusive  2004-01-01
pattern  \d{4}-\d{2}-\d{2}
annotation
documentation
00075
appinfo
Date_conversion1
source <xs:element name="RefEndingDate">
 
<xs:annotation>
   
<xs:documentation>00075</xs:documentation>
   
<xs:appinfo source="ConversionID">Date_conversion1</xs:appinfo>
 
</xs:annotation>
 
<xs:simpleType>
   
<xs:restriction base="xs:date">
     
<xs:minInclusive value="2004-01-01"/>
     
<xs:pattern value="\d{4}-\d{2}-\d{2}"/>
   
</xs:restriction>
 
</xs:simpleType>
</xs:element>

element Reference
diagram ZIMA003_20253_p46.png
type ReferenceType
properties
content  complex
children ReferenceTypeReferenceOriginReferenceNbr
used by
element  Form
annotation
documentation
90082
source <xs:element name="Reference" type="ReferenceType">
 
<xs:annotation>
   
<xs:documentation>90082</xs:documentation>
 
</xs:annotation>
</xs:element>

element ReferenceNbr
diagram ZIMA003_20253_p47.png
type restriction of xs:string
properties
content  simple
used by
complexType  ReferenceType
facets
Kind  Value  Annotation
minLength  1
maxLength  20
annotation
documentation
00222
appinfo
TicketNumber_conversion1
source <xs:element name="ReferenceNbr">
 
<xs:annotation>
   
<xs:documentation>00222</xs:documentation>
   
<xs:appinfo source="ConversionID">TicketNumber_conversion1</xs:appinfo>
 
</xs:annotation>
 
<xs:simpleType>
   
<xs:restriction base="xs:string">
     
<xs:minLength value="1"/>
     
<xs:maxLength value="20"/>
   
</xs:restriction>
 
</xs:simpleType>
</xs:element>

element ReferenceOrigin
diagram ZIMA003_20253_p48.png
type restriction of xs:integer
properties
content  simple
used by
complexType  ReferenceType
facets
Kind  Value  Annotation
minInclusive  1
maxInclusive  2
totalDigits  1
annotation
documentation
00298
source <xs:element name="ReferenceOrigin">
 
<xs:annotation>
   
<xs:documentation>00298</xs:documentation>
 
</xs:annotation>
 
<xs:simpleType>
   
<xs:restriction base="xs:integer">
     
<xs:minInclusive value="1"/>
     
<xs:maxInclusive value="2"/>
     
<xs:totalDigits value="1"/>
   
</xs:restriction>
 
</xs:simpleType>
</xs:element>

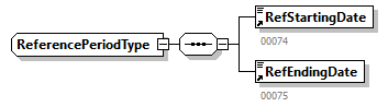
element ReferencePeriod
diagram ZIMA003_20253_p49.png
type extension of ReferencePeriodType
properties
content  complex
children RefStartingDateRefEndingDateBreastFeedingPause
used by
element  OccupationLink
annotation
documentation
90077
source <xs:element name="ReferencePeriod">
 
<xs:annotation>
   
<xs:documentation>90077</xs:documentation>
 
</xs:annotation>
 
<xs:complexType>
   
<xs:complexContent>
     
<xs:extension base="ReferencePeriodType">
       
<xs:sequence>
         
<xs:element ref="BreastFeedingPause"/>
       
</xs:sequence>
     
</xs:extension>
   
</xs:complexContent>
 
</xs:complexType>
</xs:element>

element ReferenceType
diagram ZIMA003_20253_p50.png
type restriction of xs:integer
properties
content  simple
used by
complexType  ReferenceType
facets
Kind  Value  Annotation
totalDigits  2
enumeration  1
enumeration  3
enumeration  5
annotation
documentation
00221
source <xs:element name="ReferenceType">
 
<xs:annotation>
   
<xs:documentation>00221</xs:documentation>
 
</xs:annotation>
 
<xs:simpleType>
   
<xs:restriction base="xs:integer">
     
<xs:totalDigits value="2"/>
     
<xs:enumeration value="1"/>
     
<xs:enumeration value="3"/>
     
<xs:enumeration value="5"/>
   
</xs:restriction>
 
</xs:simpleType>
</xs:element>

element RefMeanWorkingHours
diagram ZIMA003_20253_p51.png
type restriction of xs:integer
properties
content  simple
used by
complexType  OccupationLinkType
facets
Kind  Value  Annotation
minInclusive  1
maxInclusive  6000
totalDigits  4
annotation
documentation
00049
appinfo
HoursCount_conversion1
source <xs:element name="RefMeanWorkingHours">
 
<xs:annotation>
   
<xs:documentation>00049</xs:documentation>
   
<xs:appinfo source="ConversionID">HoursCount_conversion1</xs:appinfo>
 
</xs:annotation>
 
<xs:simpleType>
   
<xs:restriction base="xs:integer">
     
<xs:minInclusive value="1"/>
     
<xs:maxInclusive value="6000"/>
     
<xs:totalDigits value="4"/>
   
</xs:restriction>
 
</xs:simpleType>
</xs:element>

element RefStartingDate
diagram ZIMA003_20253_p52.png
type restriction of xs:date
properties
content  simple
used by
complexType  ReferencePeriodType
facets
Kind  Value  Annotation
minInclusive  2004-01-01
pattern  \d{4}-\d{2}-\d{2}
annotation
documentation
00074
appinfo
Date_conversion1
source <xs:element name="RefStartingDate">
 
<xs:annotation>
   
<xs:documentation>00074</xs:documentation>
   
<xs:appinfo source="ConversionID">Date_conversion1</xs:appinfo>
 
</xs:annotation>
 
<xs:simpleType>
   
<xs:restriction base="xs:date">
     
<xs:minInclusive value="2004-01-01"/>
     
<xs:pattern value="\d{4}-\d{2}-\d{2}"/>
   
</xs:restriction>
 
</xs:simpleType>
</xs:element>

element RemunMethod
diagram ZIMA003_20253_p53.png
type restriction of xs:integer
properties
content  simple
used by
complexType  OccupationLinkType
facets
Kind  Value  Annotation
minInclusive  1
maxInclusive  3
totalDigits  1
annotation
documentation
00056
source <xs:element name="RemunMethod">
 
<xs:annotation>
   
<xs:documentation>00056</xs:documentation>
 
</xs:annotation>
 
<xs:simpleType>
   
<xs:restriction base="xs:integer">
     
<xs:minInclusive value="1"/>
     
<xs:maxInclusive value="3"/>
     
<xs:totalDigits value="1"/>
   
</xs:restriction>
 
</xs:simpleType>
</xs:element>

element Retired
diagram ZIMA003_20253_p54.png
type restriction of xs:integer
properties
content  simple
used by
complexType  OccupationLinkType
facets
Kind  Value  Annotation
minInclusive  0
maxInclusive  1
totalDigits  1
annotation
documentation
00054
source <xs:element name="Retired">
 
<xs:annotation>
   
<xs:documentation>00054</xs:documentation>
 
</xs:annotation>
 
<xs:simpleType>
   
<xs:restriction base="xs:integer">
     
<xs:minInclusive value="0"/>
     
<xs:maxInclusive value="1"/>
     
<xs:totalDigits value="1"/>
   
</xs:restriction>
 
</xs:simpleType>
</xs:element>

element RiskIdentification
diagram ZIMA003_20253_p55.png
type RiskIdentificationType
properties
content  complex
children IdentificationOfRisk
used by
element  Form
annotation
documentation
90064
source <xs:element name="RiskIdentification" type="RiskIdentificationType">
 
<xs:annotation>
   
<xs:documentation>90064</xs:documentation>
 
</xs:annotation>
</xs:element>

element SIS
diagram ZIMA003_20253_p56.png
type restriction of xs:integer
properties
content  simple
used by
complexType  NaturalPersonType
facets
Kind  Value  Annotation
minInclusive  0
maxInclusive  9999999999
totalDigits  10
annotation
documentation
00167
source <xs:element name="SIS">
 
<xs:annotation>
   
<xs:documentation>00167</xs:documentation>
 
</xs:annotation>
 
<xs:simpleType>
   
<xs:restriction base="xs:integer">
     
<xs:minInclusive value="0"/>
     
<xs:maxInclusive value="9999999999"/>
     
<xs:totalDigits value="10"/>
   
</xs:restriction>
 
</xs:simpleType>
</xs:element>

element Street
diagram ZIMA003_20253_p57.png
type restriction of xs:string
properties
content  simple
used by
complexType  AddressType
facets
Kind  Value  Annotation
maxLength  42
annotation
documentation
00517
source <xs:element name="Street">
 
<xs:annotation>
   
<xs:documentation>00517</xs:documentation>
 
</xs:annotation>
 
<xs:simpleType>
   
<xs:restriction base="xs:string">
     
<xs:maxLength value="42"/>
   
</xs:restriction>
 
</xs:simpleType>
</xs:element>

element Trusteeship
diagram ZIMA003_20253_p58.png
type restriction of xs:integer
properties
content  simple
used by
complexType  EmployerDeclarationLinkType
facets
Kind  Value  Annotation
minInclusive  0
maxInclusive  1
totalDigits  1
annotation
documentation
00012
source <xs:element name="Trusteeship">
 
<xs:annotation>
   
<xs:documentation>00012</xs:documentation>
 
</xs:annotation>
 
<xs:simpleType>
   
<xs:restriction base="xs:integer">
     
<xs:minInclusive value="0"/>
     
<xs:maxInclusive value="1"/>
     
<xs:totalDigits value="1"/>
   
</xs:restriction>
 
</xs:simpleType>
</xs:element>

element TypeForm
diagram ZIMA003_20253_p59.png
type restriction of xs:string
properties
content  simple
used by
complexType  FormType
facets
Kind  Value  Annotation
maxLength  2
enumeration  SU
enumeration  FA
annotation
documentation
00297
source <xs:element name="TypeForm">
 
<xs:annotation>
   
<xs:documentation>00297</xs:documentation>
 
</xs:annotation>
 
<xs:simpleType>
   
<xs:restriction base="xs:string">
     
<xs:maxLength value="2"/>
     
<xs:enumeration value="SU"/>
     
<xs:enumeration value="FA"/>
   
</xs:restriction>
 
</xs:simpleType>
</xs:element>

element WorkerBirthdate
diagram ZIMA003_20253_p60.png
type restriction of xs:string
properties
content  simple
used by
complexType  NaturalPersonType
facets
Kind  Value  Annotation
length  10
pattern  \d{4}-\d{2}-\d{2}
annotation
documentation
00028
appinfo
Date_conversion2
source <xs:element name="WorkerBirthdate">
 
<xs:annotation>
   
<xs:documentation>00028</xs:documentation>
   
<xs:appinfo source="ConversionID">Date_conversion2</xs:appinfo>
 
</xs:annotation>
 
<xs:simpleType>
   
<xs:restriction base="xs:string">
     
<xs:length value="10"/>
     
<xs:pattern value="\d{4}-\d{2}-\d{2}"/>
   
</xs:restriction>
 
</xs:simpleType>
</xs:element>

element WorkerBirthplace
diagram ZIMA003_20253_p61.png
type restriction of xs:string
properties
content  simple
used by
complexType  NaturalPersonType
facets
Kind  Value  Annotation
maxLength  40
pattern  [\s\S]*\S[\s\S]*
annotation
documentation
00168
source <xs:element name="WorkerBirthplace">
 
<xs:annotation>
   
<xs:documentation>00168</xs:documentation>
 
</xs:annotation>
 
<xs:simpleType>
   
<xs:restriction base="xs:string">
     
<xs:maxLength value="40"/>
     
<xs:pattern value="[\s\S]*\S[\s\S]*"/>
   
</xs:restriction>
 
</xs:simpleType>
</xs:element>

element WorkerBirthplaceCountry
diagram ZIMA003_20253_p62.png
type restriction of xs:integer
properties
content  simple
used by
complexType  NaturalPersonType
facets
Kind  Value  Annotation
totalDigits  5
annotation
documentation
00169
source <xs:element name="WorkerBirthplaceCountry">
 
<xs:annotation>
   
<xs:documentation>00169</xs:documentation>
 
</xs:annotation>
 
<xs:simpleType>
   
<xs:restriction base="xs:integer">
     
<xs:totalDigits value="5"/>
   
</xs:restriction>
 
</xs:simpleType>
</xs:element>

element WorkerCity
diagram ZIMA003_20253_p63.png
type restriction of xs:string
properties
content  simple
used by
complexType  NaturalPersonType
facets
Kind  Value  Annotation
maxLength  40
annotation
documentation
00034
source <xs:element name="WorkerCity">
 
<xs:annotation>
   
<xs:documentation>00034</xs:documentation>
 
</xs:annotation>
 
<xs:simpleType>
   
<xs:restriction base="xs:string">
     
<xs:maxLength value="40"/>
   
</xs:restriction>
 
</xs:simpleType>
</xs:element>

element WorkerCode
diagram ZIMA003_20253_p64.png
type restriction of xs:integer
properties
content  simple
used by
complexType  WorkerRecordLinkType
facets
Kind  Value  Annotation
minInclusive  000
maxInclusive  999
totalDigits  3
pattern  \d{3}
annotation
documentation
00037
source <xs:element name="WorkerCode">
 
<xs:annotation>
   
<xs:documentation>00037</xs:documentation>
 
</xs:annotation>
 
<xs:simpleType>
   
<xs:restriction base="xs:integer">
     
<xs:minInclusive value="000"/>
     
<xs:maxInclusive value="999"/>
     
<xs:totalDigits value="3"/>
     
<xs:pattern value="\d{3}"/>
   
</xs:restriction>
 
</xs:simpleType>
</xs:element>

element WorkerCountry
diagram ZIMA003_20253_p65.png
type restriction of xs:integer
properties
content  simple
used by
complexType  NaturalPersonType
facets
Kind  Value  Annotation
totalDigits  5
annotation
documentation
00035
source <xs:element name="WorkerCountry">
 
<xs:annotation>
   
<xs:documentation>00035</xs:documentation>
 
</xs:annotation>
 
<xs:simpleType>
   
<xs:restriction base="xs:integer">
     
<xs:totalDigits value="5"/>
   
</xs:restriction>
 
</xs:simpleType>
</xs:element>

element WorkerFirstName
diagram ZIMA003_20253_p66.png
type restriction of xs:string
properties
content  simple
used by
complexType  NaturalPersonType
facets
Kind  Value  Annotation
minLength  1
maxLength  24
annotation
documentation
00026
source <xs:element name="WorkerFirstName">
 
<xs:annotation>
   
<xs:documentation>00026</xs:documentation>
 
</xs:annotation>
 
<xs:simpleType>
   
<xs:restriction base="xs:string">
     
<xs:minLength value="1"/>
     
<xs:maxLength value="24"/>
   
</xs:restriction>
 
</xs:simpleType>
</xs:element>

element WorkerHouseNbr
diagram ZIMA003_20253_p67.png
type restriction of xs:string
properties
content  simple
used by
complexType  NaturalPersonType
facets
Kind  Value  Annotation
maxLength  10
annotation
documentation
00031
source <xs:element name="WorkerHouseNbr">
 
<xs:annotation>
   
<xs:documentation>00031</xs:documentation>
 
</xs:annotation>
 
<xs:simpleType>
   
<xs:restriction base="xs:string">
     
<xs:maxLength value="10"/>
   
</xs:restriction>
 
</xs:simpleType>
</xs:element>

element WorkerInitial
diagram ZIMA003_20253_p68.png
type restriction of xs:string
properties
content  simple
used by
complexType  NaturalPersonType
facets
Kind  Value  Annotation
length  1
pattern  \p{L}
annotation
documentation
00027
source <xs:element name="WorkerInitial">
 
<xs:annotation>
   
<xs:documentation>00027</xs:documentation>
 
</xs:annotation>
 
<xs:simpleType>
   
<xs:restriction base="xs:string">
     
<xs:length value="1"/>
     
<xs:pattern value="\p{L}"/>
   
</xs:restriction>
 
</xs:simpleType>
</xs:element>

element WorkerName
diagram ZIMA003_20253_p69.png
type restriction of xs:string
properties
content  simple
used by
complexType  NaturalPersonType
facets
Kind  Value  Annotation
minLength  1
maxLength  48
annotation
documentation
00025
source <xs:element name="WorkerName">
 
<xs:annotation>
   
<xs:documentation>00025</xs:documentation>
 
</xs:annotation>
 
<xs:simpleType>
   
<xs:restriction base="xs:string">
     
<xs:minLength value="1"/>
     
<xs:maxLength value="48"/>
   
</xs:restriction>
 
</xs:simpleType>
</xs:element>

element WorkerPostBox
diagram ZIMA003_20253_p70.png
type restriction of xs:string
properties
content  simple
used by
complexType  NaturalPersonType
facets
Kind  Value  Annotation
maxLength  4
annotation
documentation
00032
source <xs:element name="WorkerPostBox">
 
<xs:annotation>
   
<xs:documentation>00032</xs:documentation>
 
</xs:annotation>
 
<xs:simpleType>
   
<xs:restriction base="xs:string">
     
<xs:maxLength value="4"/>
   
</xs:restriction>
 
</xs:simpleType>
</xs:element>

element WorkerRecordLink
diagram ZIMA003_20253_p71.png
type extension of WorkerRecordLinkType
properties
content  complex
children EmployerClassWorkerCodeOccupationLink
used by
element  NaturalPerson
annotation
documentation
90063
source <xs:element name="WorkerRecordLink">
 
<xs:annotation>
   
<xs:documentation>90063</xs:documentation>
 
</xs:annotation>
 
<xs:complexType>
   
<xs:complexContent>
     
<xs:extension base="WorkerRecordLinkType">
       
<xs:sequence>
         
<xs:element ref="OccupationLink" maxOccurs="unbounded"/>
       
</xs:sequence>
     
</xs:extension>
   
</xs:complexContent>
 
</xs:complexType>
</xs:element>

element WorkerSex
diagram ZIMA003_20253_p72.png
type restriction of xs:integer
properties
content  simple
used by
complexType  NaturalPersonType
facets
Kind  Value  Annotation
minInclusive  1
maxInclusive  2
totalDigits  1
enumeration  2
annotation
documentation
00029
source <xs:element name="WorkerSex">
 
<xs:annotation>
   
<xs:documentation>00029</xs:documentation>
 
</xs:annotation>
 
<xs:simpleType>
   
<xs:restriction base="xs:integer">
     
<xs:minInclusive value="1"/>
     
<xs:maxInclusive value="2"/>
     
<xs:totalDigits value="1"/>
     
<xs:enumeration value="2"/>
   
</xs:restriction>
 
</xs:simpleType>
</xs:element>

element WorkerStatus
diagram ZIMA003_20253_p73.png
type restriction of xs:string
properties
content  simple
used by
complexType  OccupationLinkType
facets
Kind  Value  Annotation
maxLength  2
annotation
documentation
00053
source <xs:element name="WorkerStatus">
 
<xs:annotation>
   
<xs:documentation>00053</xs:documentation>
 
</xs:annotation>
 
<xs:simpleType>
   
<xs:restriction base="xs:string">
     
<xs:maxLength value="2"/>
   
</xs:restriction>
 
</xs:simpleType>
</xs:element>

element WorkerStreet
diagram ZIMA003_20253_p74.png
type restriction of xs:string
properties
content  simple
used by
complexType  NaturalPersonType
facets
Kind  Value  Annotation
maxLength  35
annotation
documentation
00030
source <xs:element name="WorkerStreet">
 
<xs:annotation>
   
<xs:documentation>00030</xs:documentation>
 
</xs:annotation>
 
<xs:simpleType>
   
<xs:restriction base="xs:string">
     
<xs:maxLength value="35"/>
   
</xs:restriction>
 
</xs:simpleType>
</xs:element>

element WorkerZIPCode
diagram ZIMA003_20253_p75.png
type restriction of xs:string
properties
content  simple
used by
complexType  NaturalPersonType
facets
Kind  Value  Annotation
maxLength  9
annotation
documentation
00033
source <xs:element name="WorkerZIPCode">
 
<xs:annotation>
   
<xs:documentation>00033</xs:documentation>
 
</xs:annotation>
 
<xs:simpleType>
   
<xs:restriction base="xs:string">
     
<xs:maxLength value="9"/>
   
</xs:restriction>
 
</xs:simpleType>
</xs:element>

element WorkingDaysSystem
diagram ZIMA003_20253_p76.png
type restriction of xs:integer
properties
content  simple
used by
complexType  OccupationLinkType
facets
Kind  Value  Annotation
minInclusive  0
maxInclusive  700
totalDigits  3
annotation
documentation
00047
appinfo
DaysCount_conversion1
source <xs:element name="WorkingDaysSystem">
 
<xs:annotation>
   
<xs:documentation>00047</xs:documentation>
   
<xs:appinfo source="ConversionID">DaysCount_conversion1</xs:appinfo>
 
</xs:annotation>
 
<xs:simpleType>
   
<xs:restriction base="xs:integer">
     
<xs:minInclusive value="0"/>
     
<xs:maxInclusive value="700"/>
     
<xs:totalDigits value="3"/>
   
</xs:restriction>
 
</xs:simpleType>
</xs:element>

element ZIMA003
diagram ZIMA003_20253_p77.png
properties
content  complex
children Form
annotation
documentation
90140
source <xs:element name="ZIMA003">
 
<xs:annotation>
   
<xs:documentation>90140</xs:documentation>
 
</xs:annotation>
 
<xs:complexType>
   
<xs:sequence>
     
<xs:element ref="Form" maxOccurs="unbounded"/>
   
</xs:sequence>
 
</xs:complexType>
</xs:element>

element ZIPCode
diagram ZIMA003_20253_p78.png
type restriction of xs:string
properties
content  simple
used by
complexType  AddressType
facets
Kind  Value  Annotation
maxLength  9
annotation
documentation
00520
source <xs:element name="ZIPCode">
 
<xs:annotation>
   
<xs:documentation>00520</xs:documentation>
 
</xs:annotation>
 
<xs:simpleType>
   
<xs:restriction base="xs:string">
     
<xs:maxLength value="9"/>
   
</xs:restriction>
 
</xs:simpleType>
</xs:element>

complexType AddressType
diagram ZIMA003_20253_p79.png
children StreetHouseNbrPostBoxZIPCodeCityCountry
used by
element  Address
source <xs:complexType name="AddressType">
 
<xs:sequence>
   
<xs:element ref="Street"/>
   
<xs:element ref="HouseNbr"/>
   
<xs:element ref="PostBox" minOccurs="0"/>
   
<xs:element ref="ZIPCode"/>
   
<xs:element ref="City"/>
   
<xs:element ref="Country"/>
 
</xs:sequence>
</xs:complexType>

complexType BreastFeedingPauseType
diagram ZIMA003_20253_p80.png
children BreastFeedingPauseNbrBreastFeedingHourlyGrossSalary
used by
element  BreastFeedingPause
source <xs:complexType name="BreastFeedingPauseType">
 
<xs:sequence>
   
<xs:element ref="BreastFeedingPauseNbr"/>
   
<xs:element ref="BreastFeedingHourlyGrossSalary"/>
 
</xs:sequence>
</xs:complexType>

complexType CommentDeclarationType
diagram ZIMA003_20253_p81.png
children CommentOfDeclaration
used by
element  CommentDeclaration
source <xs:complexType name="CommentDeclarationType">
 
<xs:sequence>
   
<xs:element ref="CommentOfDeclaration"/>
 
</xs:sequence>
</xs:complexType>

complexType CommunicationType
diagram ZIMA003_20253_p82.png
children PhoneNbrGSMNbrFaxNbrEmailAddress
used by
element  Communication
source <xs:complexType name="CommunicationType">
 
<xs:sequence>
   
<xs:element ref="PhoneNbr" minOccurs="0"/>
   
<xs:element ref="GSMNbr" minOccurs="0"/>
   
<xs:element ref="FaxNbr" minOccurs="0"/>
   
<xs:element ref="EmailAddress"/>
 
</xs:sequence>
</xs:complexType>

complexType CoordinatesContactPersonType
diagram ZIMA003_20253_p83.png
children NameFirstName
used by
element  CoordinatesContactPerson
source <xs:complexType name="CoordinatesContactPersonType">
 
<xs:sequence>
   
<xs:element ref="Name" minOccurs="0"/>
   
<xs:element ref="FirstName" minOccurs="0"/>
 
</xs:sequence>
</xs:complexType>

complexType DclInformationType
diagram ZIMA003_20253_p84.png
children LanguageCodePdf
used by
element  DclInformation
source <xs:complexType name="DclInformationType">
 
<xs:sequence>
   
<xs:element ref="LanguageCodePdf"/>
 
</xs:sequence>
</xs:complexType>

complexType EmployerDeclarationLinkType
diagram ZIMA003_20253_p85.png
children NOSSRegistrationNbrTrusteeshipCompanyID
used by
element  EmployerDeclarationLink
source <xs:complexType name="EmployerDeclarationLinkType">
 
<xs:sequence>
   
<xs:element ref="NOSSRegistrationNbr"/>
   
<xs:element ref="Trusteeship"/>
   
<xs:element ref="CompanyID"/>
 
</xs:sequence>
</xs:complexType>

complexType FormType
diagram ZIMA003_20253_p86.png
children IdentificationFormCreationDateFormCreationHourAttestationStatusTypeForm
used by
element  Form
source <xs:complexType name="FormType">
 
<xs:sequence>
   
<xs:element ref="Identification"/>
   
<xs:element ref="FormCreationDate"/>
   
<xs:element ref="FormCreationHour"/>
   
<xs:element ref="AttestationStatus"/>
   
<xs:element ref="TypeForm"/>
 
</xs:sequence>
</xs:complexType>

complexType NaturalPersonType
diagram ZIMA003_20253_p87.png
children NaturalPersonSequenceNbrINSSSISWorkerNameWorkerFirstNameWorkerInitialWorkerBirthdateWorkerBirthplaceWorkerBirthplaceCountryWorkerSexWorkerStreetWorkerHouseNbrWorkerPostBoxWorkerZIPCodeWorkerCityWorkerCountryNationalityNaturalPersonUserReference
used by
element  NaturalPerson
source <xs:complexType name="NaturalPersonType">
 
<xs:sequence>
   
<xs:element ref="NaturalPersonSequenceNbr"/>
   
<xs:element ref="INSS"/>
   
<xs:element ref="SIS" minOccurs="0" maxOccurs="0"/>
   
<xs:element ref="WorkerName" minOccurs="0" maxOccurs="0"/>
   
<xs:element ref="WorkerFirstName" minOccurs="0" maxOccurs="0"/>
   
<xs:element ref="WorkerInitial" minOccurs="0" maxOccurs="0"/>
   
<xs:element ref="WorkerBirthdate" minOccurs="0" maxOccurs="0"/>
   
<xs:element ref="WorkerBirthplace" minOccurs="0" maxOccurs="0"/>
   
<xs:element ref="WorkerBirthplaceCountry" minOccurs="0" maxOccurs="0"/>
   
<xs:element ref="WorkerSex" minOccurs="0" maxOccurs="0"/>
   
<xs:element ref="WorkerStreet" minOccurs="0" maxOccurs="0"/>
   
<xs:element ref="WorkerHouseNbr" minOccurs="0" maxOccurs="0"/>
   
<xs:element ref="WorkerPostBox" minOccurs="0" maxOccurs="0"/>
   
<xs:element ref="WorkerZIPCode" minOccurs="0" maxOccurs="0"/>
   
<xs:element ref="WorkerCity" minOccurs="0" maxOccurs="0"/>
   
<xs:element ref="WorkerCountry" minOccurs="0" maxOccurs="0"/>
   
<xs:element ref="Nationality" minOccurs="0" maxOccurs="0"/>
   
<xs:element ref="NaturalPersonUserReference" minOccurs="0"/>
 
</xs:sequence>
</xs:complexType>

complexType NOSSLPAEmployerDeclarationLinkType
diagram ZIMA003_20253_p88.png
children NOSSLPARegistrationNbrCompanyID
used by
element  NOSSLPAEmployerDeclarationLink
source <xs:complexType name="NOSSLPAEmployerDeclarationLinkType">
 
<xs:sequence>
   
<xs:element ref="NOSSLPARegistrationNbr"/>
   
<xs:element ref="CompanyID"/>
 
</xs:sequence>
</xs:complexType>

complexType OccupationLinkType
diagram ZIMA003_20253_p89.png
children OccupationStartingDateOccupationEndingDateJointCommissionNbrWorkingDaysSystemMeanWorkingHoursRefMeanWorkingHoursWorkerStatusRetiredApprenticeshipContractTypeRemunMethod
used by
element  OccupationLink
source <xs:complexType name="OccupationLinkType">
 
<xs:sequence>
   
<xs:element ref="OccupationStartingDate"/>
   
<xs:element ref="OccupationEndingDate" minOccurs="0"/>
   
<xs:element ref="JointCommissionNbr"/>
   
<xs:element ref="WorkingDaysSystem" minOccurs="0"/>
   
<xs:element ref="MeanWorkingHours"/>
   
<xs:element ref="RefMeanWorkingHours"/>
   
<xs:element ref="WorkerStatus" minOccurs="0"/>
   
<xs:element ref="Retired" minOccurs="0"/>
   
<xs:element ref="Apprenticeship" minOccurs="0"/>
   
<xs:element ref="ContractType" minOccurs="0"/>
   
<xs:element ref="RemunMethod" minOccurs="0"/>
 
</xs:sequence>
</xs:complexType>

complexType ReferencePeriodType
diagram ZIMA003_20253_p90.png
children RefStartingDateRefEndingDate
used by
element  ReferencePeriod
source <xs:complexType name="ReferencePeriodType">
 
<xs:sequence>
   
<xs:element ref="RefStartingDate"/>
   
<xs:element ref="RefEndingDate"/>
 
</xs:sequence>
</xs:complexType>

complexType ReferenceType
diagram ZIMA003_20253_p91.png
children ReferenceTypeReferenceOriginReferenceNbr
used by
element  Reference
source <xs:complexType name="ReferenceType">
 
<xs:sequence>
   
<xs:element ref="ReferenceType"/>
   
<xs:element ref="ReferenceOrigin"/>
   
<xs:element ref="ReferenceNbr"/>
 
</xs:sequence>
</xs:complexType>

complexType RiskIdentificationType
diagram ZIMA003_20253_p92.png
children IdentificationOfRisk
used by
element  RiskIdentification
source <xs:complexType name="RiskIdentificationType">
 
<xs:sequence>
   
<xs:element ref="IdentificationOfRisk"/>
 
</xs:sequence>
</xs:complexType>

complexType WorkerRecordLinkType
diagram ZIMA003_20253_p93.png
children EmployerClassWorkerCode
used by
element  WorkerRecordLink
source <xs:complexType name="WorkerRecordLinkType">
 
<xs:sequence>
   
<xs:element ref="EmployerClass"/>
   
<xs:element ref="WorkerCode"/>
 
</xs:sequence>
</xs:complexType>


XML Schema documentation generated by XMLSpy Schema Editor http://www.altova.com/xmlspy